GCAN-226-N CAN总线环网控制器
- 品牌:
- GCAN广成科技
- 型号:
- GCAN-226-N
- 应用:
- AGV、物流线、矿山设备、大型机械CAN 中继延长距离 AGV、 Extension of CAN relay distance for logistics lines, mining equipment, and large machinery
-


1.功能简介
1. Function Introduction
1.1功能概述
1.1 Function Overview
GCAN-226-N模块模块作为一款高性能CAN总线环网控制器,集成了2路CAN接口。在构建CAN总线网络时,运用GCAN-226-N模块将CAN总线的首尾相连,能够组成环网拓扑结构。该环网具备显著的冗余特性,当线缆在任意位置发生断开情况时,凭借其内部独特的通信机制与冗余设计,总线通信功能不会中断,仍可维持正常的数据传输。
The GCAN-226-N module, as a high-performance CAN bus ring network controller, integrates 2 CAN interfaces. When building a CAN bus network, using the GCAN-226-N module to connect the ends of the CAN bus can form a ring network topology structure. This ring network has significant redundancy characteristics. When the cable is disconnected at any position, with its unique communication mechanism and redundancy design, the bus communication function will not be interrupted and normal data transmission can still be maintained.
GCAN-226-N模块是连接不同CAN总线网络的高性能工具,同时具有体积小巧、即插即用等特点,也是便携式系统用户的最佳选择。GCAN-226-N模块集成CAN接口电气隔离保护模块,双路CAN分别隔离,使其避免由于瞬间过流/过压而对设备造成损坏,增强系统在恶劣环境中使用的可靠性;双路CAN分别集成指示灯,用以展示对应CAN总线状态。
The GCAN-226-N module is a high-performance tool for connecting different CAN bus networks, with features such as small size and plug and play, making it the best choice for portable system users. The GCAN-226-N module integrates a CAN interface electrical isolation protection module, with dual CAN isolated separately to prevent equipment damage caused by transient overcurrent/overvoltage and enhance the reliability of the system in harsh environments; Dual channel CAN integrates indicator lights to display the corresponding CAN bus status.
1.2性能特点
1.2 Performance Characteristics
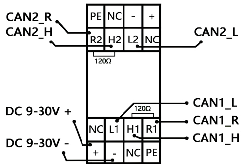
●集成2路CAN总线接口,使用凤凰端子接线方式;
● Integrate 2 CAN bus interfaces and use Phoenix terminal wiring method;
●CAN总线通讯波特率在5kps~1Mbps;
● The baud rate of CAN bus communication is between 5kps and 1Mbps;
●CAN总线自带120Ω终端电阻,可通过连线接入;
● The CAN bus comes with a 120 Ω terminal resistor, which can be connected through a wire;
●CAN总线接口采用电气隔离,隔离模块绝缘电压:1500V DC;
● The CAN bus interface adopts electrical isolation, and the insulation voltage of the isolation module is 1500V DC;
●使用外接电源(9-30V DC);
● Use an external power supply (9-30V DC);
●供电电流:(24V DC,40mA);
● Power supply current: (24V DC, 40mA);
●工作温度范围:-40℃~+85℃;
● Working temperature range: -40 ℃~+85 ℃;
●静电放电抗扰度等级:接触放电±4KV,空气放电±8KV;
● Static discharge immunity level: Contact discharge ± 4KV, air discharge ± 8KV;
●电快速瞬变脉冲群抗扰度等级:±2KV;
● Electrical fast transient burst immunity level: ± 2KV;
●浪涌抗扰度等级:电源接口±1KV。CAN总线接口±4KV;
● Surge immunity level: ± 1KV for power interface. ± 4KV for CAN bus interface;
●网络拓扑:首尾相连的环形结构;
● Network topology: a circular structure connected end-to-end;
●冗余性:具备物理冗余路径,断线后数据可通过环的另一方向传输。
● Redundancy: It has physical redundant paths, and data can be transmitted through the other direction of the ring after disconnection.
1.3典型应用
1.3 Typical Applications
(1)对可靠性、可用性要求高的工业自动化、电力系统等关键领域
(1) Key areas such as industrial automation and power systems that require high reliability and availability
1.4典型应用图示
1.4 Typical Application Diagram
CAN总线环网图
CAN bus ring network diagramGCAN-226-N设备使用手册链接
GCAN-226-N Equipment User Manual Link
www.gcgd.net/filedownload/2977775
如果您需要具体了解设备或者询价,可以加我微信或在线对话框联络。
If you need specific information about the equipment or inquire about the price,you can add me on WeChat or contact me through the online chat.
- www.gcgd.net/filedownload/2977775
- ●集成2路CAN总线接口,使用凤凰端子接线方式;● Integrate 2 CAN bus interfaces and use Phoenix terminal wiring method;
●CAN总线通讯波特率在5kps~1Mbps;
● The baud rate of CAN bus communication is between 5kps and 1Mbps;
●CAN总线自带120Ω终端电阻,可通过连线接入;
● The CAN bus comes with a 120 Ω terminal resistor, which can be connected through a wire;
●CAN总线接口采用电气隔离,隔离模块绝缘电压:1500V DC;
● The CAN bus interface adopts electrical isolation, and the insulation voltage of the isolation module is 1500V DC;
●使用外接电源(9-30V DC);
● Use an external power supply (9-30V DC);
●供电电流:(24V DC,40mA);
● Power supply current: (24V DC, 40mA);
●工作温度范围:-40℃~+85℃;
● Working temperature range: -40 ℃~+85 ℃;
●静电放电抗扰度等级:接触放电±4KV,空气放电±8KV;
● Static discharge immunity level: Contact discharge ± 4KV, air discharge ± 8KV;
●电快速瞬变脉冲群抗扰度等级:±2KV;
● Electrical fast transient burst immunity level: ± 2KV;
●浪涌抗扰度等级:电源接口±1KV。CAN总线接口±4KV;
● Surge immunity level: ± 1KV for power interface. ± 4KV for CAN bus interface;
●网络拓扑:首尾相连的环形结构;
● Network topology: a circular structure connected end-to-end;
●冗余性:具备物理冗余路径,断线后数据可通过环的另一方向传输。
● Redundancy: It has physical redundant paths, and data can be transmitted through the other direction of the ring after disconnection. 售后技术电话:18609820321
After sales technical hotline: 18609820321-
联系客服13019325660,获取设备应用手册Contact customer service at 13019325660 to obtain the device application manual




